JH-174-1

汽车车桥

技术参数:

速比:10.56:1,12.31:1,14.21 :1,16.17 :1

制动方式: 鼓式制动,盘式制动(驻车方式:电磁驻车,EBP驻车)

允许输入扭矩:85-120N·m

JH-174-1

细节展示

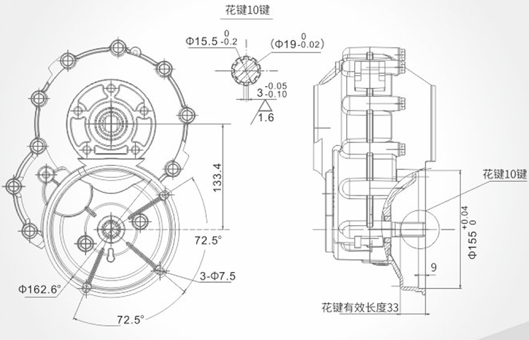
产品图纸



JH-174-1.jpg          JH-174-1-2.jpg

渐开线花键参数表



JH-174-1-2x.jpg

适用车型



          

          JH-174-1-2x1.jpg